晶体管 元器件百科 晶体管简介这些设备由通常用于放大或开关目的的半导体材料制成,也可以用于控制电压和电流的流动。它还用于将输入信号放大为扩展区输出信号。晶体管通常是由半导体材料制成的固态电子设备。电流的循环可以通过添加电子来改变。该过程使电压变化成比例地影响输出电流中的许多变化,从而使放大倍增。除了大多数电子设备外,并非所有的电子设备都包含一种或多种类型的晶体管。某些晶体管单独放置或通常放置在集成电路中,这些晶体管会 芯城品牌采购网 2025-10-27 30676
开发板 元器件百科 开发板简介开发板(DemoBoard)是用来进行嵌入式系统开发的电路板,包括中央处理器、存储器、输入设备、输出设备、数据通路/总线和外部资源接口等一系列硬件组件。在一般的嵌入式系统开发过程中,硬件一般被分成两个平台,一个是开发平台(host),一个是目标平台(target)即开发板。在此描述的开发平台指的是使用计算机,通过传输的界面,例如串口(RS-232)、USB、并口、或者网络(Etherne 芯城品牌采购网 2025-10-27 31619
0805精密电阻 元器件百科 0805精密电阻介绍精密电阻器,由PrecisionResistance翻译而来,简称精密电阻。普通电阻器区别高精密电阻器的主要依据为阻值误差大小,阻值大小,温度系数的大小。其实,对于不是搞计量的不需要分的那么清楚,可以大体上认为高精密、高准确、低误差等是一个意思。但是,对于“精度”一词,可以分解成分解成三个要素:温度系数。温度变化是电阻的大敌,温度系数一般用ppm/℃表示,即温度变化1度对应电阻 芯城品牌采购网 2025-10-27 27837
CPU内核 元器件百科 CPU内核简介核心(Die)又称为内核,是CPU最重要的组成部分。CPU中心那块隆起的芯片就是核心,是由单晶硅以一定的生产工艺制造出来的,CPU所有的计算、接受/存储命令、处理数据都由核心执行。各种CPU核心都具有固定的逻辑结构,一级缓存、二级缓存、执行单元、指令级单元和总线接口等逻辑单元都会有科学的布局。CPU内核结构(一)运算器1、算术逻辑运算单元ALU(ArithmeticandLogicU 芯城品牌采购网 2025-10-27 29914
AdHoc无线网络 元器件百科 AdHoc无线网络介绍无线AdHoc网络是由一组自主的无线节点或终端相互合作而形成的,独立于固定的基础设施的并且采用分布式管理的网络,是一种自创造、自组织和自管理网络。与传统的蜂窝网络相比,无线Adhoc网络没有基站,所有节点分布式运行,具有路由器的功能,负责发现和维护到其它节点的路由,向邻居节点发射或转发分组。这种网络既可以单独运行,又可以通过网关接入到有线骨干网络(如因特网)。Adhoc来源于 芯城品牌采购网 2025-10-27 30745
二极管 元器件百科 二极管简介二极管是用半导体材料(硅、硒、锗等)制成的一种电子器件。它具有单向导电性能,即给二极管阳极和阴极加上正向电压时,二极管导通。当给阳极和阴极加上反向电压时,二极管截止。因此,二极管的导通和截止,则相当于开关的接通与断开。二极管是最早诞生的半导体器件之一,其应用非常广泛。特别是在各种电子电路中,利用二极管和电阻、电容、电感等元器件进行合理的连接,构成不同功能的电路,可以实现对交流电整流、对调 芯城品牌采购网 2025-10-27 28998
64位CPU 元器件百科 64位CPU简介64位CPU在1960年代,便已存在于超级电脑,且早在1990年代,就有以RISC为基础的工作站和伺服器。2003年才以x86-64和64位PowerPC处理器架构的形式引入到(在此之前是32位)个人电脑领域的主流。一个64位的CPU,内部可能有外部资料汇流排或不同大小的位址汇流排,可能比较大或比较小;术语「64位」也常用於描述这些汇流排的大小。例如,目前有许多机器有着使用64位汇 芯城品牌采购网 2025-10-27 27753
BIOS编程器 元器件百科 BIOS编程器简介编程器又称烧录器、写入器、写码器,是专门用来对IC芯片进行读写、编程/烧录的仪器。BIOS编程器就是专门针对BIOS芯片进行读写、编程/烧录的仪器。从这可看出,BIOS编程器属于专用编程器。BIOS编程器相关问题Q:什么是BIOS编程器?A:并口多功能BIOS编程器,它可以对EPROM(27系列芯片)、EEPROM(28系列芯片)、FLASHROM(29、39、49系列芯片)及单 芯城品牌采购网 2025-10-27 24968
0603精密电阻 元器件百科 0603精密电阻分类常见的精密电阻按材料分有三类:金属膜电阻、线绕电阻和块电阻。1.金属膜电阻金属膜精密电阻的精度较高,主体通常为圆柱形,但阻值温度系数和分布参数指标略低;特点是温度系数不大,阻值比较稳定。但由于膜比较薄因此相对脆弱一些,螺旋切割和压接部分容易出问题。2.线绕电阻线绕精密电阻主体有圆柱形、扁柱形和长方框架形几种;阻值精度和温度系数指标很高,但分布参数指标偏低;采用的电阻丝材料现在有 芯城品牌采购网 2025-10-27 25825
CPU卡 元器件百科 CPU卡简介CPU卡:也称智能卡,卡内的集成电路中带有微处理器CPU、存储单元(包括随机存储器RAM、程序存储器ROM(FLASH)、用户数据存储器EEPROM)以及芯片操作系统COS。装有COS的CPU卡相当于一台微型计算机,不仅具有数据存储功能,同时具有命令处理和数据安全保护等功能。由于没有掌握关键的生产工艺,原来我国设计的CPU卡芯片一直在国外生产。目前我国自主设计、制造的CPU卡容量达到了 芯城品牌采购网 2025-10-27 28072
陶瓷电容器 元器件百科 陶瓷电容器简介陶瓷电容也叫陶瓷电容器,是将陶瓷当做电的介质,并且在陶瓷的表面涂上银层,还要经过一定的低温处理,而形成银质薄膜,那么银质薄膜就成了一个极板。它的外形一般是片状,也会根据需要制成管形、圆形等。并且不同的电容器有着不同的作用,一般电容器都是具有对电力系统的一些电量计量,储存电能、分压等等作用。陶瓷电容器特点陶瓷电容也分为高频陶瓷电容和低频陶瓷电容两种。并且两种陶瓷电容都是具有比较好的稳定 芯城品牌采购网 2025-10-27 29172
中央处理器存储器 元器件百科 中央处理器存储器简介中央处理器(CPU,CentralProcessingUnit)是一块超大规模的集成电路,是一台计算机的运算核心(Core)和控制核心(ControlUnit)。它的功能主要是解释计算机指令以及处理计算机软件中的数据。CPU从逻辑上可以划分成3个模块,分别是控制单元、运算单元和存储单元,这三部分由CPU内部总线连接起来。中央处理器存储器又叫CPU存储器,CPU存储器是微处理器中 芯城品牌采购网 2025-10-27 32610
ATV212变频器 元器件百科 ATV212变频器性能描述●功率和电压范围:>三相200...240V,0.75至30kW,IP21>三相380...480V,0.75至75kW,IP21>三相380...480V,0.75至75kW,IP55●宽广温度范围,适合多种环境使用:>IP21产品:0~50℃降容可达60℃>IP55产品:0~40℃降容可达50℃●高开关频率满足静音和舒适度的要求:> 芯城品牌采购网 2025-10-27 26157
CPU散热器 元器件百科 CPU散热器安装技巧安装采用固定夹的CPU散热器:1.确保将CPU正确插入插槽中,在主板用户手册中也能找到相关说明。2.关于导热硅脂:a.如果要重新安装旧CPU散热器,应清理CPU顶部盖子和CPU散热器的底部,不能残留任何原有的导热硅脂。可使用异丙醇和无绒布进行清理。b.如果安装的是新的CPU散热器,底部可能事先已涂抹好导热硅脂。在这种情况下,就不需要在CPU顶盖涂抹导热硅脂。请跳转至步骤43.在 芯城品牌采购网 2025-10-27 30634
CPU风扇 元器件百科 CPU风扇性能参数1.风扇功率风扇功率是影响风扇散热效果的一个很重要的条件,功率越大通常风扇的风力也越强劲,散热的效果也越好。而风扇的功率与风扇的转速又是直接联系在一起的,也就是说风扇的转速越高,风扇也就越强劲有力。2.风扇口径该性能参数对风扇的出风量也有直接的影响,它表示在允许的范围之内风扇的口径越大,那么风扇的出风量也就越大,风力效果的作用面也就越大。3.风扇转速风扇的转速与风扇的功率是密不可 芯城品牌采购网 2025-10-27 32848
CPU缓存 元器件百科 CPU缓存简介CPU缓存的容量比内存小的多但是交换速度却比内存要快得多。缓存的出现主要是为了解决CPU运算速度与内存读写速度不匹配的矛盾,因为CPU运算速度要比内存读写速度快很多,这样会使CPU花费很长时间等待数据到来或把数据写入内存。缓存大小是CPU的重要指标之一,而且缓存的结构和大小对CPU速度的影响非常大,CPU内缓存的运行频率极高,一般是和处理器同频运作,工作效率远远大于系统内存和硬盘。实 芯城品牌采购网 2025-10-27 33450
BVR线 元器件百科 BVR线简介BVR线是一种铜芯聚氯乙烯绝缘软电线,其应用于固定布线时要求柔软的场合。BVR电线是一种配电柜专用软电线。也叫二次线。本产品适用于交流额定电压450/750V及以下的动力装置的固定敷设。如家装照明。固定布线可用于室内明敷、穿管等场合。为了方便在安装过程中的区别,可分为红、黄、蓝、绿、黑、白、双共七种颜色。由于BVR是软结构的,运用范围也多在软环境下。BVR电线和BV电线唯一的差别在于, 芯城品牌采购网 2025-10-27 20678
AFS光谱仪 元器件百科 AFS光谱仪分类原子荧光可分为三类:即共振荧光、非共振荧光和敏化荧光,其中以共振原子荧光最强,在分析中应用最广。共振荧光是所发射的荧光和吸收的辐射波长相同。只有当基态是单一态,不存在中间能级,才能产生共振荧光。非共振荧光是激发态原子发射的荧光波长和吸收的辐射波长不相同。非共振荧光又可分为直跃线荧光、阶跃线荧光和反斯托克斯荧光。直跃线荧光是激发态原子由高能级跃迁到高于基态的亚稳能级所产生的荧光。阶跃 芯城品牌采购网 2025-10-27 25706
HDI板 元器件百科 HDI板简介HDI是HighDensityInterconnector的英文简写,高密度互连(HDI)制造是印制电路板,印刷电路板是以绝缘材料辅以导体配线所形成的结构性元件。印刷电路板在制成最终产品时,其上会安装积体电路、电晶体、二极体、被动元件(如:电阻、电容、连接器等)及其他各种各样的电子零件。藉着导线连通,可以形成电子讯号连结及应有机能。因此,印制电路板是一种提供元件连结的平台,用以承接联系 芯城品牌采购网 2025-10-27 26757
HDD 元器件百科 HDD分类硬盘按数据接口不同,大致分为ATA和SATA(可参阅IDE界面)以及SCSI和SAS。ATA全称AdvancedTechnologyAttachment,是用传统的40-pin并口数据线连接主板与硬盘的,外部接口速度最大为133Mb/s,因为并口线的抗干扰性太差,且排线占空间,不利计算机散热,将逐渐被SATA所取代。SATA,全称SerialATA,也就是使用串口的ATA接口,因抗干扰性 芯城品牌采购网 2025-10-27 18827
FPC分板机 元器件百科 FPC分板机分切原理工作中下模采用自动推拉,减轻劳动强度,更提高安全度,同时取放成品十分方便。应用于电子行业如手机板,内存卡,手机软线路等分割。对于大批量通槽式PCB基板和软性线路板(FPC)的分割,效率尤为显著。配备安全感应装备。配模具使用,换模具简单方便。FPC分板机功能特点结构紧凑,刚性特强,操作简单安全。可更换多款模具,且换模方便容易。下模自动进出,取放产品方便,成品可落入抽屉。将切板时产 芯城品牌采购网 2025-10-27 24270
EIC二极管 元器件百科 EIC二极管简介“EIC”是从事半导体业的国际生产厂商及供应商。公司注册于美国加州。工厂设立在泰国,迄今有着26年的历史上市公司。一直致力于半导体产品研发。从芯片到封装,EIC公司具有强大的科研力量,先进的科研设备。目前产品种类超过50多种封装形式和10000多种型号,是行业内能提供最全面的半导体产品企业之一。EIC二极管分类目前EIC二极管产品种类超过50多种封装形式和10000多种型号。产品主 芯城品牌采购网 2025-10-27 27908
D类放大器 元器件百科 D类放大器工作原理通过控制开关单元的ON/OFF,驱动扬声器的放大器称D类放大器。在D类调制器中,通过将音频信号与高频固定频率信号比较,并将结果在固定频率的载波上调制,数字音频信号被转换成了PWM信号。形成的信号是可变脉宽的固定载波频率(通常在几百kHz),然后由高压功率MOSFET对这些PWM信号进行放大,放大后的PWM信号再通过低通滤波器去掉载频,恢复出原始基带音频信号。和性能优良的A/B类放 芯城品牌采购网 2025-10-27 23549
E类放大器 元器件百科 E类放大器优点A,B,C类功率放大器的集电极(阳极或漏极)耗散功率比较大,这几类放大器的效率很难再提高。D类和E类功率放大器的效率克服了A,B,C类功率放大器的缺陷,使功率器件工作于开关状态。E类功率放大器在提高效率方面比D类更进一步,它是按照“功率管电压和电流不同时出现”的道理设计的,这样在任意时刻,管子的电压和电流乘积为零。理想效率为100%,实际效率为90%左右。E类放大器原理E类功率放大器 芯城品牌采购网 2025-10-27 27489
CATV放大器 元器件百科 CATV放大器供电方式放供电电压一般有两种:一种是交流220V供电,属于市电供电方式;一种是交流60V供电,属于线路供电方式。交流供电市电供电方式的放大器其电源电路结构是:变压器+桥式整流+简单的稳压电路所组成。它对市电电压变化的适应能力较差,在±10%范围内,当市电电压波动较大时会出现交流声调制指标下降,造成50hz或100hz的干扰,反映在电视屏幕上是一条上下滚动的黑带(50hz)干扰或两条黑 芯城品牌采购网 2025-10-27 24796
CS功率放大器 元器件百科 CS功率放大器特点百威CS系列结合了多个电路来保护放大器和扬声器在实际的任何情况下。百威让功放尽可能万无一失,使它们免受短路,开路,不匹配负载,直流电和过热的危害。如果一个通道进入DDTTM增益衰减模式,DDT灯就亮起。削波百分比或输出功率就会立即减少。当出现问题时,通道就进入一个保护模式,该通道电源指示灯就会关闭。直流输出,次音频率过高,将导致该通道扬声器保护继电器打开,来保护扬声器。如果放大器 芯城品牌采购网 2025-10-27 24048
E类功率放大器 元器件百科 E类功率放大器典型电路E类功率放大器的典型电路是由单个晶体管和负载两蹯所组成,在输入信号的激励下,晶休管呈开关状态。它的最大优点是管子需待管压降降至最低(即等于VcBs)时,电流才能导通一截止时需满足集电极电流降至零时,集电极电压才开始上升,以防高电压,大电流同时存在。其电路原理如图4所示。图中V_为重复频率f。的方渡激励信号L为高频扼流囤,它的作用是一方面提供直流通路,另一方面防止高频短路,要求 芯城品牌采购网 2025-10-27 26783
ESD静电保护元件 元器件百科 ESD静电保护元件简介TVS/ESD静电保护元件阵列ESD静电保护元器件RLESD保护器件可避免电子设备中的敏感电路受到ESD的。可提供非常低的电容,与其他同类元件相比具有更优异的传输线脉冲(TLP)测试,以及IEC6100-4-2测试能力,尤其是在多采样数(高达1000)之后。该器件可比传统的聚合物SEO器件提供更低的触发电压和更低的箝拉电压,进而改善对敏感电子元件的保护。静电保护元件(Eler 芯城品牌采购网 2025-10-27 29308
4G调制解调器 元器件百科 4G调制解调器介绍在4G无线基带的演进中,目前有两大不断发展的技术在争逐领导地位,这就是LTE和WiMAX。WiMAX的定位是计算设备和M2M的首选技术,以及为尚未发展的地区提供固定无线联机网络,并获得英特尔(Intel)和其它多家公司领导的WiMAX论坛支持。LTE则沿着“GSM”的路线,朝手机宽带的路线演进而来,由第三代合作伙伴项目(3GPP)支持,并被包括高通(Qualcomm)、意法-爱立 芯城品牌采购网 2025-10-27 25935
9013三极管 元器件百科 9013三极管引脚图接法首先把有字的那一片朝向自己,然后从左往右分别是1.发射极、2.基极、3.集电极。9013三极管引脚参数参数:结构NPN集电极-发射极电压25V集电极-基极电压45V发射极-基极电压0.7V集电极电流IcMax0.5A耗散功率0.625W工作温度-55℃~+150℃特征频率150MHz放大倍数D64-91E78-122F96-135G122-166H144-220I190-3 芯城品牌采购网 2025-10-27 31873
DIP开关 元器件百科 DIP开关简介DIP开关(DIPswitch)也称为指拨开关,是可以人工调整的开关,多半是数个开关一组,以标准双列直插封装(DIP)的封装形式出现。“DIP开关”可以指个别的开关,也可以指整组的开关。DIP开关一般会设计在印刷电路板上,配合其他电子元件使用,主要目的是,调整电子设备的特性。DIP开关可视为是跳线组的代替品,其主要好处是开关比跳线容易切换状态,而且没有可能遗失或脱落的短接器。具有滑动 芯城品牌采购网 2025-10-27 27316
FCI连接器 元器件百科 FCI连接器简介FCI是世界范围内电子连接器的最主要设计者、生产商和供应商,其产品应用于汽车、通信、消费类电子、数据处理、工业机械等广大领域。FCI连接器因其专业的设计、精密的制造工艺和创新精神而畅销欧洲、美洲、亚洲众多国家。目前FCI为全球第四大品牌电子连接器,拥有员工13000人,业务遍及全球,FCI以其超过十万种产品服务全球,产品主要包括通讯、电源、医疗等连接器标准品,以及薄膜开关,FPCA 芯城品牌采购网 2025-10-27 24720
瓷片电容 元器件百科 瓷片电容简介瓷片电容(ceramiccapacitor)是一种用陶瓷材料作介质,在陶瓷表面涂覆一层金属薄膜,再经高温烧结后作为电极而成的电容器。通常用于高稳定振荡回路中,作为回路、旁路电容器及垫整电容器。瓷片电容分高频瓷介和低频瓷介两种。具有小的正电容温度系数的电容器,用于高稳定振荡回路中,作为回路电容器及垫整电容器。低频瓷介电容器限于在工作频率较低的回路中作旁路或隔直流用,或对稳定性和损耗要求不 芯城品牌采购网 2025-10-27 29899
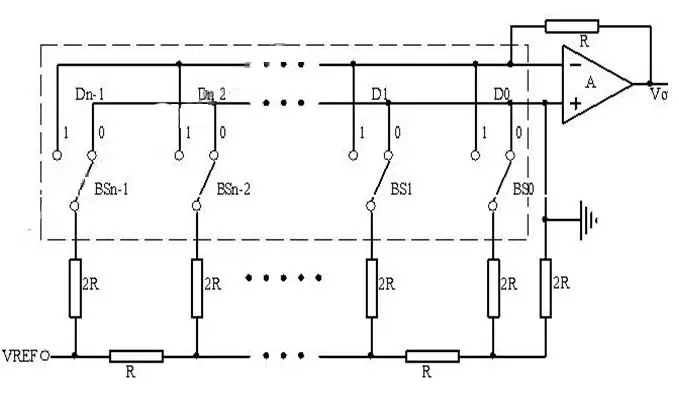
DA转换器 元器件百科 DA转换器分类按数字量输入方式:并行输入和串行输入DA转换器。按模拟量输出方式:电流输出和电压输出DA转换器。按DA转换的分辩率:低分辩率、中分辩率和高分辩率DA转换器。DA转换器构成和特点DAC主要由数字寄存器、模拟电子开关、位权网络、求和运算放大器和基准电压源(或恒流源)组成。用存于数字寄存器的数字量的各位数码,分别控制对应位的模拟电子开关,使数码为1的位在位权网络上产生与其位权成正比的电流值 芯城品牌采购网 2025-10-27 24461
FPC连接器 元器件百科 FPC连接器简介FPC翻译成中文就是:柔性印刷电路板,通俗讲就是用软性材料(可以折叠、弯曲的材料)做成的PCB连接器,用于LCD显示屏到驱动电路(PCB)的连接,主要以0.5mmpitch产品为主。0.3mmpitch产品也已大量使用。随着有LCD驱动器被整合到LCD器件中的趋势,FPC的引脚数会相应减少,市场上已经有相关的产品出现。从更长远的方向看,将来FPC连接器将有望实现与其它手机部件一同整 芯城品牌采购网 2025-10-27 27562
EJA变送器 元器件百科 EJA变送器工作原理采用微电子加工技术(MEMS)在一个单晶硅芯片表面的中心和边缘制作两个形状、尺寸、材质完全一致的H形状的谐振梁,谐振梁在自激振荡回路中作高频振荡。单晶硅谐振式传感器上的两上H形的振动梁分别将差压、压力信号转换成频率信号,送到脉冲计数器,再将两频率之差直接传递到CPU进行数据处理,经D/A转换器转换为与输入信号相对应的4~20mADC的输出信号,并在模拟信号上叠加一个BRAIN/ 芯城品牌采购网 2025-10-27 23916
BK-机床控制变压器 元器件百科 BK-机床控制变压器特点控制变压器一般是采取隔离方式制作。(1)可以起到滤波抗干扰功能,可以出去三次谐波干扰功能(2)采用隔离变压器可以产生新的中性线,皮面由于电网中性线不良造成设备不能够正常运作。(3)防止非线性负载的电流畸变影响到变压器的正常工作及对电网产生的污染,起到净化电网的作用。使用环境:(1)周围空气湿度-5℃至+40℃,24小时的平均值不超过+35℃(2)安装海拔不超过2000米(3 芯城品牌采购网 2025-10-27 28214
BNC连接器 元器件百科 BNC连接器简介BNC连接器是一种很常见的RF端子同轴电缆终结器,全称是BayonetNutConnector(刺刀螺母连接器,这个名称形象地描述了这种接头外形),因为同轴电缆的广泛应用,bnc连接器也被大量用于通信系统中,如网络设备中的E1接口就是用两根BNC接头的同轴电缆来连接的,在高档的监视器、音响设备中也经常用来传送音频、视频信号。BNC电缆连接器由一根中心针、一个外套和卡座组成。它包括B 芯城品牌采购网 2025-10-27 30847
EL817 元器件百科 EL817简介光耦合器(opticalcoupler,英文缩写为OC)亦称光电隔离器或光电耦合器,简称光耦。它是以光为媒介来传输电信号的器件,通常把发光器(红外线发光二极管LED)与受光器(光敏半导体管)封装在同一管壳内。亿光电子的光耦合器可提供各式封装型式(4-PinSSOP,4-PinSOP,4-PinDIP,6-PinDIP,8-PinSOP与8-PinDIP)且客户可依据产品输出功能,选用 芯城品牌采购网 2025-10-27 20308
AD转换器 元器件百科 AD转换器简介模拟数字转换器即A/D转换器,或简称ADC,通常是指一个将模拟信号转变为数字信号的电子元件。通常的模数转换器是将一个输入电压信号转换为一个输出的数字信号。由于数字信号本身不具有实际意义,仅仅表示一个相对大小。故任何一个模数转换器都需要一个参考模拟量作为转换的标准,比较常见的参考标准为最大的可转换信号大小。而输出的数字量则表示输入信号相对于参考信号的大小。AD转换器分类模数转换器的种类 芯城品牌采购网 2025-10-27 25359
IC卡电表 元器件百科 IC卡电表简介1.IC卡电表具有多种防窃电功能,起动电流小、无潜动、宽负荷、低功耗,误差曲线平直、长期运行时稳定性好,外形美观、体积小、重量轻、安装方便。2.预购电量:IC卡传递数据,实现数据回读,包括:回读总电量,剩余电量,表内累积购电量,总购电次数等信息。3.准确度高:IC卡电表由全电子式设计,内置进口专用芯片,精度不受频率、温度、电压,高次谐波影响.长寿命:采用SMT技术,优化的电路设计,整 芯城品牌采购网 2025-10-27 28062
GYXTW光缆 元器件百科 GYXTW光缆描述中心松套管保护一次涂覆光纤光纤集中在缆的中心,加强件分布在光缆护层中的两侧GYXTW光缆型号GY――通信用室(野)外光缆X――缆中心管(被覆)结构T――填充式结构W――夹带钢丝的钢聚乙烯粘结护套(简称W护套)GYXTW光缆技术参数光缆芯数光缆外径光缆重量最小弯曲半径允许张力(N)允许侧压力(N/100MM)(MM)(Kg/KM)静态动态短期长期短期长期2月12日8.99010倍光 芯城品牌采购网 2025-10-27 25656