压阻式传感器 元器件百科 压阻式传感器应用压阻式传感器广泛地应用于航天、航空、航海、石油化工、动力机械、生物医学工程、气象、地质、地震测量等各个领域。在航天和航空工业中压力是一个关键参数,对静态和动态压力,局部压力和整个压力场的测量都要求很高的精度。压阻式传感器是用于这方面的较理想的传感器。例如,用于测量直升飞机机翼的气流压力分布,测试发动机进气口的动态畸变、叶栅的脉动压力和机翼的抖动等。在飞机喷气发动机中心压力的测量中, 芯城品牌采购网 2025-10-30 28009 压阻传感器
固态图像传感器 元器件百科 固态图像传感器分类从使用观点,可将固态图像传感器分为线型和面型固态图像传感器两类。根据所用的敏感器件不同,又可分为CCD,MOS线型传感器以及CCD,MOS面型传感器等线型固态图像传感器主要用于测试、传真和光学文字识别技术等方面,面型固态图像传感器的发展方向主要用作磁带录像的小型照相机。固态图像传感器特性①.调制传递函数MTF特性:固态图像传感器是由像素矩阵与相应转移部分组成的。固态的像素尽管己做 芯城品牌采购网 2025-10-30 28352 图像传感器
图象传感器 元器件百科 图象传感器定义能感受光学图像信息并转换成可用输出信号的传感器。图象传感器原理无论是CCD还是CMOS,它们都采用感光元件作为影像捕获的基本手段,CCD/CMOS感光元件的核心都是一个感光二极管(photodiode),该二极管在接受光线照射之后能够产生输出电流,而电流的强度则与光照的强度对应。但在周边组成上,CCD的感光元件与CMOS的感光元件并不相同,前者的感光元件除了感光二极管之外,包括一个用 芯城品牌采购网 2025-10-30 25702 图象传感器
光栅位移传感器 元器件百科 光栅位移传感器工作原理光栅位移传感器(又称光栅尺)一般是利用刻在某种载体(如玻璃、晶态陶瓷或钢带等)上的隔栅,作为测量的基准。其工作原理是利用感知光度变化的光电池扫描的方法进行测量[1-2]。一般光栅尺载体和指示光栅上每毫米刻有25线或50线。光线投射到已调整好的光栅上时,便会产生摩尔条纹图像,当光栅尺移时,图像的光强度将发生周期性的变化,这种变化被光电池接受后,经电子信号处理,便可达到检测位移量 芯城品牌采购网 2025-10-30 25776 光栅传感器
变磁阻式传感器 元器件百科 变磁阻式传感器概述铁芯和衔铁由导磁材料如硅钢片或坡莫合金制成,在铁芯和衔铁之间有气隙,传感器的运动部分与衔铁相连。当被测量变化时,使衔铁产生位移,引起磁路中磁阻变化,从而导致电感线圈的电感量变化,因此只要能测出这种电感量的变化,就能确定衔铁位移量的大小和方向。[1]变磁阻式传感器可以用于测量位移和尺寸,也可以测量能够转换为位移量的其他参数力、张力、压力、压差、应变、转短、速度和加速度等。变磁阻式传 芯城品牌采购网 2025-10-30 21370 变磁传感器
土壤水分传感器 元器件百科 土壤水分传感器应用土壤水分传感器与远距离传输设备可以构成遥测系统。例如土壤干燥时,警告信号可以自动响起来提醒人们应该灌溉的时间到了。自动控制系统开关水泵和阀门等。配合一些附加的传感器,可以计算出土壤水分蒸发量和农作物所需的水分参数。适用于节水农业灌溉、温室大棚蔬菜、花卉园艺、草地牧场、土壤速测、植物培养、科学试验等领域。土壤水分传感器操作(1)传感器有两种插用方法:①传感器竖插使用(见下图1):将 芯城品牌采购网 2025-10-30 22190 传感器
单端加热管 元器件百科 单端加热管用途1.管道加热器:电热管主要用于安装在空气加热系统的吹风管道中,作吹送热空气用。也可作为各类烘箱、电炉加热元件。2.硝盐溶液溶液、油、水加热:将弯曲成型的管状电热元件焊接在法兰上构成。电热管用于敞开式、封闭式的溶液箱和循环系统中加热用。单端加热管应用单端加热管适合于在不能进行两端接线的加热介质中工作。可应用于各种大小模具及机械设备的高低温插入型加热,包括冲模及其它模具、医疗器械、塑料封 芯城品牌采购网 2025-10-30 24115 加热管
卤钨灯 元器件百科 卤钨灯分类卤钨灯以色温的高低可分为高色温3000K以上,中色温2800~3000K,低色温2800K以下的灯。卤钨灯以应用领域可分为室内照明、泛光照明、舞台照明、放映、幻灯、投影以及电影、电视、新闻摄影等。卤钨灯以外形分类可分为管形卤钨灯管和柱形卤钨灯泡。按照用途分,卤钨灯可以分为6类:①红外、紫外辐照卤钨灯。红外辐照卤钨灯用于加热设备和复印机上,紫外辐照卤钨灯已开始用于牙科固化粉的固化工艺。②摄 芯城品牌采购网 2025-10-30 21166 卤钨灯
单相电表 元器件百科 单相电表功能1、计量功能a)计量多时段正向有功电能,并存储其数据;b)至少存储上12个月的总电能和各费率电能量值,数据存储分界时间为月末24时或其他1至28日的整点时刻;2、费控功能a)电能表费控功能的实现方式分为本地方式和远程方式两种,本地方式是通过CPU卡、射频卡等固态介质实现,远程方式是通过公网、载波等虚拟介质和远程售电系统实现。b)当电能表内的剩余金额小于或等于系统所设的报警金额时,应能以 芯城品牌采购网 2025-10-30 20153 单相电表
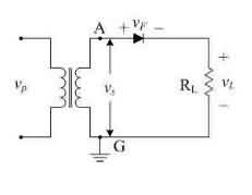
半波整流电路 元器件百科 半波整流电路原理当A点电位高于G点时(高于0V),二极管顺向偏压,A点电位只要0.7V以上,电流流过二极管与负载电阻,二极管电压0.7V,其余电压由负载承担,负载电压Vl=Vs-0.7V当A点电位低于G点时(低于0V),二极管逆向偏压,或A点电位在0.7V以下,无电流,电阻电压Vl=0V,所有电压由二极管承担。半波整流电路构成最简单的整流电路由电源变压器B、整流二极管D和负载电阻Rfz组成。变压器 芯城品牌采购网 2025-10-30 22151 半波整流电路
功率放大电路 元器件百科 功率放大电路简介在很多电子设备中,要求放大电路的输出级能够带动某种负载,例如驱动仪表,使指针偏转;驱动扬声器,使之发声;或驱动自动控制系统中的执行机构等。总之,要求放大电路有足够大的输出功率。这样的放大电路统称为功率放大电路。功率放大电路要求(1)输出功率要大。输出功率Po=UoIo,要获得大的输出功率,不仅要求输出电压高,而且要求输出电流大。因此,晶体管工作在大信号尽限运用状态,应用时要考虑管子 芯城品牌采购网 2025-10-30 29759 功率电路
分频电路 元器件百科 分频电路定义分频电路是指使输出信号频率为输入信号频率整数分之一的电子电路。对于任何一个N次分频器,在输入信号不变的情况下,输出信号可以有2pi/N的相位。这种现象是分频作用所固有的,与分频器的具体电路无关,称为分频器输出相位多值性。分频电路作用1、合理地分割各单元的工作频段;2、合理地进行各单元功率分配;3、使各单元之间具有恰当的相位关系以减少各单元在工作中出现的声干涉失真;4、利用分频电路的特性 芯城品牌采购网 2025-10-30 22439 分频电路
倍压整流电路 元器件百科 倍压整流电路原理下面以电路1为例简单说明工作原理:当变压器次级输出为上正下负时,电流流向如图所示。变压器向上臂三个电容充电储能。当变压器次级输出为上负下正时,电流流向如图所示。上臂电容通过变压器次级向下臂充电。如果不带负载,稳态时,除了最左边的那个电容,其他每个电容上的电压为2U,所以总的输出电压为6U。事实上,由于高阶倍压整流电路带载能力很差,输出很小的功率就会导致输出电压的大幅度跌落。假设输出 芯城品牌采购网 2025-10-30 28070 倍压整流电路
位移传感器 元器件百科 位移传感器简介位移是和物体的位置在运动过程中的移动有关的量,位移的测量方式所涉及的范围是相当广泛的。小位移通常用应变式、电感式、差动变压器式、涡流式、霍尔传感器来检测,大的位移常用感应同步器、光栅、容栅、磁栅等传感技术来测量。其中光栅传感器因具有易实现数字化、精度高(目前分辨率最高的可达到纳米级)、抗干扰能力强、没有人为读数误差、安装方便、使用可靠等优点,在机床加工、检测仪表等行业中得到日益广泛的 芯城品牌采购网 2025-10-30 26966 位移传感器
全光纤传感器 元器件百科 全光纤传感器应用领域光纤传感器与传统的机械、电子类传感器相比,凭借诸多优势使其在地震探测、环境监测及医疗卫生等方面具有广泛的应用前景。基于马赫-曾德尔干涉仪(MZI)原理的传感器是光纤传感器中较重要的一类,已成为光纤传感领域研究的热点,目前主要集中在特种光纤和特殊结构传感器,但是价格比较昂贵,结构复杂,难以实现大规模生产应用。光纤传感器已经应用于环保产业中的生物化学材料制造过程,它可以对液面高度、 芯城品牌采购网 2025-10-30 21263 光纤传感器
低浓度甲烷传感器 元器件百科 低浓度甲烷传感器技术参数煤矿用低浓度甲烷传感器主要技术指标防爆型式:矿用本安兼隔爆型防爆标志:ExibdI测量范围:0~4.00%CH4测量误差:0~1.00%CH4δ≤0.10%CH41.00~3.00%CH4δ≤真值的±10%3.00~4.00%CH4δ≤0.30%CH4响应时间:小于20s报警点:0.50~3.50%CH4可任意设置报警方式:红色灯光闪烁,蜂鸣器鸣叫输出信号:频率200~10 芯城品牌采购网 2025-10-30 25884 甲烷传感器
力传感器 元器件百科 力传感器组成力传感器的结构通常为荷重垫圈式。它由底座、传力上盖、片式电极、石英晶片、绝缘件及电极引出插座等组成。力传感器分类1、弹性敏感元件2、电阻应变片传感器3、压电传感器4、电容式传感器5、电感式传感器力传感器应用力传感器能对各种动态力、机械冲击和振动进行测量。在声学、医学、力学、导航等许多方面都得到广泛的应用。力传感器工作原理以电阻应变式传感器为例来说明力传感器的工作原理:电阻应变式传感器是 芯城品牌采购网 2025-10-30 21154 传感器
光传感器 元器件百科 光传感器简介光传感器磁光效应传感器就是利用激光技术发展而成的高性能传感器。激光,是20世纪60年代初迅速发展起来的又一新技术,它的出现标志着人们掌握和利用光波进入了一个新的阶段。由于以往普通光源单色度低,故很多重要的应用受到限制,而激光的出现,使无线电技术和光学技术突飞猛进、相互渗透、相互补充。利用激光已经制成了许多传感器,解决了许多以前不能解决的技术难题,使它适用于煤矿、石油、天然气贮存等危险、 芯城品牌采购网 2025-10-30 21654 传感器
110KV电力变压器 元器件百科 110KV电力变压器特点1、铁心采用冷轧、晶粒取向、低损耗、高导磁率的优质硅钢片,厚度≤0、3mm,45°全斜接缝阶梯形叠积,确保损耗低、噪声低要求,铁心表面涂以防锈漆,以防潮、防锈。2、高压线圈采用纠结式或内屏连续式,并在首端设置加强段,改善冲击电压分布,确保高压线圈在各种过电压作用下的绝缘强度。中低压线圈结构为连续式或螺旋式,采用半硬铜绕制。绕制时,通过线圈拉近装着,确保线压沿圆周方向拉紧,增 芯城品牌采购网 2025-10-30 20367 110KV电力变压器
110端子 元器件百科 110端子基本信息剥线长度:1mm截面面积:0mm2螺栓口直径:18-22mm电压:3000VV电流:10AA夹紧导线范围:1主要适用范围:18-22,连接一到两股线规为22-10AWG(0.32-5.3mm2),同时作为电器内部引线的铜导体的端子是专业生产110接线端子的厂家产品型号110端子适用范围本标准规定了识别电器设备(以下简称设备)端子的各种方法,并制订了以字母数字系统识别设备端子和特定 芯城品牌采购网 2025-10-30 27386 端子
DCIF 元器件百科 DCIF分辨率优点经过对大量视频信号进行测试,基于目前的视频压缩算法,DCIF分辨率比HalfD1能更好解决CIF清晰度不够高和D1存储量高、价格高昂的缺点,用来解决CIF和4CIF,特别是在512Kbps码率之间,能获得稳定的高质量图像,满足用户对较高图像质量的要求,为视频编码提供更好的选择。CIF清晰度不够高和D1存储量高、价格高昂的缺点分辨率,静态回放分辨率理论上最高可达360TVline的 芯城品牌采购网 2025-10-30 24316 DCIF
COSMO光耦 元器件百科 COSMO光耦简介冠西(cosmo)电子股份有限公司成立于1979年,为一专业的继电器和光耦合器制造厂商,台湾上市公司,通过iso9001认证,主要产品包括光耦合器、固态继电器、磁簧继电器、光电mos继电器、高功率led等等光电元器件,光耦合器(photocoupler)光耦合器系一发光及受光组件的组合体,藉由光的传输达到导通的要求,为一理想的绝缘体,因此在很多电子电器产品上,皆需采用此产品作为高 芯城品牌采购网 2025-10-30 22267 COSMO光耦
3DB电桥 元器件百科 3DB电桥特点3DB电桥具有插损小,抑制高,带内波动小,隔离度大,驻波比小的特点。3DB桥插损是3.2,隔离度也是25,驻波一般。但是有两个输出口,比如输入两个30输出就是两个27。3dB电桥的输出口也可随意定,两进一出一进两出两进两出其实都可以,多的一个口接上足够功率的负载就行了。不接负载的其实也就是出厂就断接了,跟另接负载没什么两样的效果。但是,对于驻波比要求高的时候只能用3dB。另外,还要考 芯城品牌采购网 2025-10-30 19218 3DB电桥
可控硅电源 元器件百科 可控硅电源原理可控硅电源的电路结构如下:通俗的说,可控硅是一个控制电压的器件,由于可控硅的导通角是可以用电路来控制的,固此随着输出电压Uo的大小变化,可控硅的导通角也随着变化。加在主变压器初级的电压Ui也随之变化。也就是~220V市电经可控硅控制后只有一部分加在主变压器的初级。当输出电压Uo较高时,可控硅导通角较大,大部分市电电压被可控硅“放过来了”(如上图所示),因而加在变压器初级的电压,即Ui 芯城品牌采购网 2025-10-30 28872 可控硅电源
变频电源原理 元器件百科 变频电源原理特点・三个独立输出变压器,三组变流器,IGBT使用数量高达12个.・三组变流器亦可共用一组整流器.・三相由完整的单相集成连结而成,可单相使用(使用任意一相)或三相使用.适用于三相平衡及不平衡(100%不平衡)负载,可依需求制作于一机箱或三机箱结构不一样,成本不一样,性能当然不一样!!②.低成本三相交流电源,无电源变压器结构,输入未隔离,输出隔离变频电源原理变频电源变频电源基本原变频电源 芯城品牌采购网 2025-10-30 27036 变频电源
可控硅中频电源 元器件百科 可控硅中频电源基本原理可控硅中频电源的基本工作原理,就是通过一个三相桥式整流电路,把50Hz的工频交流电流整流成直流,再经过一个滤波器(直流电抗器)进行滤波,最后经逆变器将直流变为单相中频交流以供给负载,所以这种逆变器实际上是一只交流―直流―交流变换器,其基本线路如图。可控硅中频电源保护设置 本系统设置有多重保护系统,道有限压限流保护,第二道有过压过流保护,第三道有自动断路器(DW-16空气开关) 芯城品牌采购网 2025-10-30 26368 硅中频电源
便携式温度校验仪 元器件百科 便携式温度校验仪技术参数便携式温度校验仪功能热电阻RTD测量/模拟产生热电偶TC测量/模拟产生电阻测量/模拟产生毫伏mV测量/模拟产生电压产生电流产生(内部/外部供电)脉冲产生频率产生电流测量(内部/外部供电)电压测量频率测量脉冲计数内部HART兼容供给24V回路电源开关测试可以添加连接外部压力模块,作为压力校验仪。便携式温度校验仪特点・温度范围从低于环境温度45℃到650℃・快速加热、冷却和设定 芯城品牌采购网 2025-10-30 27695 温度校验仪
卤素灯 元器件百科 卤素灯优点卤素灯与普通的白炽灯相比,最大的优点就是寿命长,体积更为小巧。另外,简单、成本低廉、两度容易调整和控制、显色性好、发光效率高等优点也使得它得到人们的青睐。卤素灯原理卤素是化学元素周期表里的第ⅦA族元素。卤素灯的外形一般都是一个细小的石英玻璃管,实际上,在这种灯的灯丝和玻璃外壳中充有一些卤族元素,如碘和溴。当灯丝发热时,钨原子被蒸发向玻璃管壁方向移动。在它们接近玻璃管时,钨蒸气被“冷却”到 芯城品牌采购网 2025-10-29 24125 卤素灯
单相闭环触发器 元器件百科 单相闭环触发器特点无相序要求限制,可用于电源为220V与380V电源频率50/60Hz电网。能与国内外各种控制仪表(温控仪)、微机的输出信号直接接口。适用于阻性负载、感性负载、变压器一次侧等各种负载类型。具有软启动软停止功能,减少对电网的冲击干扰,使主电路更加安全可靠。驱动能力强,每路可以输出500毫安的电流,可以驱动4000A可控硅。故障报警输出功能。(外接蜂鸣器和指示灯)急停功能。限流过流保护 芯城品牌采购网 2025-10-29 25285 单相触发器
单向节流阀 元器件百科 单向节流阀概述单向节流阀广泛应用于液压控制系统的调速和延时回路中,其既可以作单向阀使用,又可以作节流阀使用。稳态液动力(又称液动力)是影响单向节流阀性能的关键因素之一,不仅决定换向阻力,同时也影响单向节流阀的精确控制。伴随着社会的发展和人们生活水平的不断提高,空调器已成为广大家庭的日常用品。单向节流阀起着一种有效的调节作用,是热泵型房间空调器的重要零部件,与主毛细管配合起到制冷导通、制热代替辅助毛 芯城品牌采购网 2025-10-29 22301 节流阀
单晶铜 元器件百科 单晶铜概述单晶铜因消除了作为电阻产生源和信号衰减源的晶界而具有优异的综合性能:卓越的电学和信号传输性能,良好的塑性加工性能;优良的抗腐蚀性能;显著的抗疲劳性能;减少了偏析、气孔、缩孔、压杂等铸造缺陷;光亮的表面质量;因而主要用于国防高技术、民用电子、通讯以及网络等领域。单晶铜,是经过“高温热铸模式连续铸造法”所制造的导体技术,因为铸造过程经过特殊加热处理,所以可以获得单结晶状铜导体,每一结晶可以延 芯城品牌采购网 2025-10-29 20860 单晶铜
单相电子式电度表 元器件百科 单相电子式电度表功能基本功能1、性能优于GB/T17215―2002《1级和2级静止式交流有功电能表》,通信规约符合DL/T645―1997《多功能电能表通信规约》等国家标准以及行业标准2、6位整数2位小数液晶显示3、无源脉冲输出功能4、光电脉冲指示功能5、防窃电功能6、体积小、功耗低、安装接线简单可选配功能1、历史电量记录,根据可编程的抄表日自动转存,存储12个抄表周期的历史电量2、反向电量记录 芯城品牌采购网 2025-10-29 21302 单相电子电度表
分布反馈激光器 元器件百科 分布反馈激光器简介实现动态,就是在半导体激光器内部建立一个布拉格光栅,靠光栅的反馈来实现纵模选择。这种结构还能够在更宽的工作温度和工作电流范围内抑制模式跳变,实现动态单模。分布反馈半导体激光器(DFB-LD)与分布布拉格反射器半导体激光器(DBR-LD)是由内含布拉格光栅来实现光的反馈的。两者的结构如图所示。由图可见,DBR-LD中,光栅区在腔体两侧(或一侧),只用来做反射器,增益区内没有光栅,它 芯城品牌采购网 2025-10-29 31631 激光器
光纤网卡 元器件百科 光纤网卡品牌IntelIntel是个老品牌了,早期的台式机有很多都采用Intel的入门级网卡产品――lntelPro/100VE。在AMD还没与Intel形成明显的竞争关系之前,这个网卡在市场中很常见,后来Intel又推出了Pro10/100、Pro100/1000,后两个产品现在大多集成到Intel自主品牌的主板中,DIY市场已经不多见了。8254X系列,这个系列是早期的千兆芯片了,照7X系列的 芯城品牌采购网 2025-10-29 23819 光纤网卡
传输系统 元器件百科 传输系统简介传输系统把语音、数据、图像信息转变成电信号,经过调制,把频谱搬移到适合于在某种媒质内传输的频段,并形成某种有利于传输的电磁波传送到对方,再经解调还原为电信号,即包括调制—传输—解调全过程的通信设备的总和。传输系统作为信道可连接两个终端设备构成电信系统,作为链路则可连接网节点的交换系统构成电信网。传输系统在传输信号过程中,不可避免地要引入一些导致信号质量恶化的因素,如衰减、噪声、失真、串 芯城品牌采购网 2025-10-29 30847 传输系统
发电机励磁系统 元器件百科 发电机励磁系统组成发电机励磁系统组成部件自动调节励磁的组成部件有机端电压互感器、机端电流互感器、励磁变压器;励磁装置需要提供以下电流,厂用AC380v、厂用DC220v控制电源.厂用DC220v合闸电源;需要提供以下空接点,自动开机.自动停机.并网(一常开,一常闭)增,减;需要提供以下模拟信号,发电机机端电压100V,发电机机端电流5A,母线电压100V,励磁装置输出以下继电器接点信号;励磁变过流 芯城品牌采购网 2025-10-29 24361 发电机励磁系统
光纤通讯 元器件百科 光纤通讯接收器构成光接收器的主要元件是光侦测器(photodetector),利用光电效应将入射的光讯号转为电讯号。光侦测器通常是半导体为基础的光二极管(photodiode),例如p-n接面二极管、p-i-n二极管,或是雪崩型二极管(avalanchediode)。另外“金属-半导体-金属”(Metal-Semiconductor-Metal,MSM)光侦测器也因为与电路整合性佳,而被应用在光再 芯城品牌采购网 2025-10-29 19547 光纤通讯
同轴电缆供电系统 元器件百科 同轴电缆供电系统概述同轴电缆以硬铜线为芯,外包一层绝缘材料。这层绝缘材料用密织的网状导体环绕,网外又覆盖一层保护性材料。供电系统一般选用RG-8规格的供电系统粗缆和RG-58规格的供电系统细缆,它们的匹配阻抗均为50Ω。粗缆的全称为“粗同轴电缆”,简称为“AUI”,如右图所示。细缆是指“细同轴电缆”,它的英文简称为“BNC”,细同轴电缆与粗同轴电缆结构类似,只是直径细些。同轴电缆供电系统功能介绍粗 芯城品牌采购网 2025-10-29 26974 同轴电缆供电系统
千兆光纤收发器 元器件百科 千兆光纤收发器主要参数标准:IEEE802.3z/AB1000Base-T/SX/LX/ZX接口:双绞线:RJ45光纤:SCLED:PWR,FXLink/ACT,FDX,TX-100,TXLink/ACT,FX-100传输速率:双绞线:1000Mbps光纤:1000Mbps双工方式:电口全双工或半双工,光口全双工双绞线:5E类,6类光纤:多模:50/125,62.5/125?m单模:8/125,8 芯城品牌采购网 2025-10-29 29702 千兆光纤收发器
互感器综合测试仪 元器件百科 互感器综合测试仪特性1、自动型测试:快捷、简单、方便。电源380AC与220AC自动,自动计算出拐点电压和电流及复合误差,直观判断互感器是否合格。可全自动地测试描绘伏安特性曲线,省去手动调压、人工记录、整理、描曲线等烦琐劳动;无需专门培训,容易掌握。2、功能全面:可测试保护CT伏安特性、5%和10%误差曲线,直阻、变比、极性。1)仪器可对电压互感器进行定性的测量:测量时,仪器在电压互感器的一次侧加 芯城品牌采购网 2025-10-29 22000 互感器测试仪
匝间短路测试仪 元器件百科 匝间短路测试仪工作原理当线圈绕组内部发生线圈间短路故障时,会形成短路匝,将明显地改变线圈的电感,电容和电阻等各项参数;一些线圈存在着尚有一定绝缘程度的匝间绝缘薄弱点,如果没有太高的电压去冲击,其薄弱点就不会被击穿,线圈绕组的电感,电阻和电容等参数在通常情况下也不会出现明显的异常,普通测试时这样的薄弱点就不会被发现。对于这种情形,只有当试验电压超过绝缘薄弱点的耐压值时,才会造成匝间绝缘击穿,产生火花 芯城品牌采购网 2025-10-29 23824 匝间短路测试仪
DPT技术 元器件百科 DPT技术工作原理DPT(DynamicPacketTransport,动态IP光纤传输)技术,采用了一种全新的机制,在光纤上直接传输IP包,而其MAC层地址采用空间复用MAC地址。空间复用协议(SpatialReuseProtocol,SRP)是一种与媒体无关的MAC层协议,可以用于各种物理层技术之上。典型的用法是由两根反向光纤组成SRP环,其中每一根光纤都可以用来传输数据和传输反方向的控制信号 芯城品牌采购网 2025-10-29 22209 DPT